Casa / Novità

Novità

Filosofia di progettazione e flusso di lavoro della catena di trasmissione

Filosofia di progettazione e flusso di lavoro della catena di trasmissione

Catena di trasmissione , come dispositivo comune di trasmissione della forza, riduce la forza di attrito attraverso il design a "catena...

In che modo la catena a rulli riduce la generazione di elettricità statica

In che modo la catena a rulli riduce la generazione di elettricità statica

Catena a rulli sembra una catena di carri armati ed è composta da molte maglie unitarie. I collegamenti possono ruotare liberamente. L&...

Spiegare brevemente perché la catena a rulli verrà corrosa

Spiegare brevemente perché la catena a rulli verrà corrosa

A causa dell'ambiente di lavoro del Catena a rulli , si verificherà naturalmente della corrosione, quindi qual è il motivo princ...

Il produttore di catene di trasmissione spiega perché il tempo di trasporto della catena sarà distorto

Il produttore di catene di trasmissione spiega perché il tempo di trasporto della catena sarà distorto

La trasmissione e il trasporto a catena potrebbero lentamente presentare errori. Sebbene non sia molto grande, ma con l'accumulo di tempo, si ...

Come prevenire efficacemente il malfunzionamento della catena di trasmissione

Come prevenire efficacemente il malfunzionamento della catena di trasmissione

Nel processo di produzione di Catena di trasmissione , se la catena cede, il produttore deve trovare la soluzione più adatta in base ...

Quali sono i difetti comuni della catena di trasporto

Quali sono i difetti comuni della catena di trasporto

Catena di trasporto è ampiamente utilizzato nelle catene industriali, come macchinari per il trasporto di alimenti, attrezzature per i...

Precauzioni per la manutenzione della catena a lamelle

Precauzioni per la manutenzione della catena a lamelle

Quando Catena di foglie è installato quando la catena è attivata, è necessario verificare se la catena funziona normalmente e se la t...

Come mantenere la ruota dentata industriale

Come mantenere la ruota dentata industriale

Nel mantenimento di Pignone industriale , prestare attenzione alla forma dei denti del pignone. La forma del dente del pignone deve ...

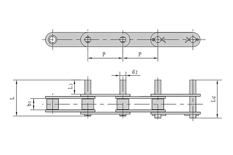
Il numero di maglie della catena a rulli deve essere pari

Il numero di maglie della catena a rulli deve essere pari

Catena a rulli la lunghezza della catena è espressa dal numero di maglie. Il numero di maglie della catena è preferibilmente pari, in ...

Il pignone industriale è un ingranaggio solido o a raggi

Il pignone industriale è un ingranaggio solido o a raggi

Pignone industriale si riferisce a una ruota con denti a fibbia a forma di ingranaggio, che viene utilizzata per ingranare un blocco c...

Come mantenere la catena industriale per prolungare la durata

Come mantenere la catena industriale per prolungare la durata

Catena industriale diventerà lassista o addirittura si disconnetterà dopo un uso a lungo termine e come prevenire tali problemi? ...

Passaggi per sostituire la catena della motocicletta

Passaggi per sostituire la catena della motocicletta

Quando il Catena del motociclo è da sostituire, si tenga presente che catena e pignone devono essere sostituiti insieme. La nuova cat...