Casa / Novità

Novità

Capacità di acquisto di catene fogliari

Capacità di acquisto di catene fogliari

Catena di foglie ha molte funzioni, quindi a cosa dovresti prestare attenzione quando acquisti una catena? 1. Ispezione estet...

Processo di manutenzione della catena industriale

Processo di manutenzione della catena industriale

La frequenza di pulizia del Catena industriale può essere pulito in tempo ogni pochi mesi, ogni volta che la catena entra in contatto...

Metodo di trattamento spot a catena silenziosa

Metodo di trattamento spot a catena silenziosa

Catena silenziosa La struttura del materiale in acciaio, la struttura della catena in acciaio, tuttavia, l'ambiente della marea e ...

Regola standard per l'utilizzo di catene motociclistiche

Regola standard per l'utilizzo di catene motociclistiche

In condizioni favorevoli, completamente economico, completamente razionale, tutto in a Catena del motociclo periodo di utilizzo, alta...

Precauzioni per la manutenzione della catena a rulli

Precauzioni per la manutenzione della catena a rulli

Come mantenere correttamente il Catena a rulli ? Prima di tutto, non immergere direttamente la catena in detergenti acidi e alcalini ...

Suggerimenti per la manutenzione della catena di trasmissione

Suggerimenti per la manutenzione della catena di trasmissione

Catena di trasmissione è molto comune nel processo di produzione industriale di oggi, quindi come mantenere correttamente la catena di ...

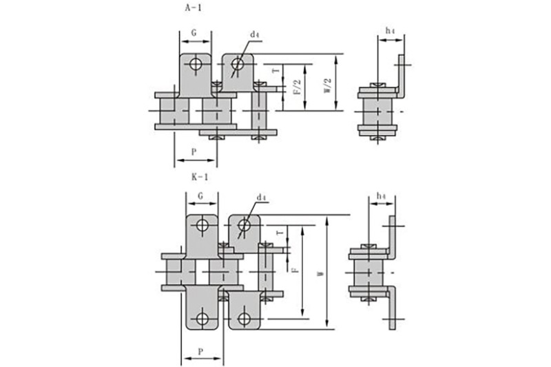
Specifiche comuni della catena di trasporto

Specifiche comuni della catena di trasporto

Catena di trasporto si divide in serie A e serie B. La serie A è conforme alle specifiche dimensionali dello standard per catene statunitense...

Il produttore di ruote dentate industriali presenta i requisiti di selezione per le catene portacavi

Il produttore di ruote dentate industriali presenta i requisiti di selezione per le catene portacavi

Pignone industriale i produttori ricordano che la quantità, il tipo e il diametro dei cavi e dei tubi dell'aria, dei tubi idraulici dete...

Il fornitore di catene a foglia presenta la differenza tra catena in acciaio inossidabile e catena in acciaio al carbonio

Il fornitore di catene a foglia presenta la differenza tra catena in acciaio inossidabile e catena in acciaio al carbonio

Qual è la differenza tra catena in acciaio inossidabile e catena in acciaio al carbonio? In risposta a questo problema, di seguito, Catena...

Quali sono gli usi principali della catena industriale?

Quali sono gli usi principali della catena industriale?

Al giorno d'oggi, la frequenza e i luoghi in cui Catena industriale utilizzati nel settore manifatturiero industriale sono sempr...

Precauzioni per la progettazione e la produzione di catene silenziose

Precauzioni per la progettazione e la produzione di catene silenziose

Ci saranno alcuni problemi nel processo di produzione di Catena silenziosa . Se si tratta di un grosso problema, la perdita sarà gran...

Anche la catena della motocicletta ha il suo modello unico

Anche la catena della motocicletta ha il suo modello unico

Come l'olio motore, Catena del motociclo ha anche il suo modello. A seconda dei diversi requisiti del veicolo, il modello di cat...