Casa / Novità

Novità

Abilità nella manutenzione della catena silenziosa

Abilità nella manutenzione della catena silenziosa

La catena è generalmente una maglia o un anello metallico, utilizzato principalmente per la trasmissione e la trazione meccanica. Diamo un'...

Quali sono le cause più comuni di danni alla catena della motocicletta

Quali sono le cause più comuni di danni alla catena della motocicletta

Catena del motociclo , come dispositivo comune di trasmissione della forza, utilizza un design a "catena" ad arco iperbolico per ridurre l&#x...

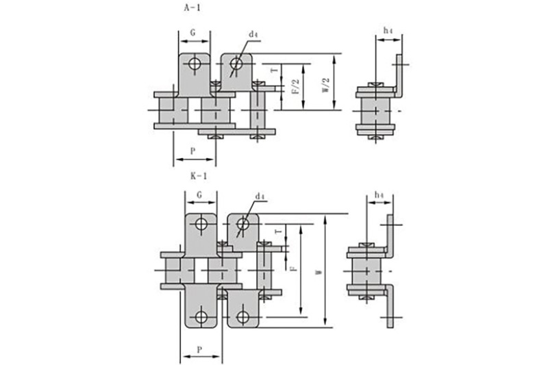
Quali sono le parti della catena a rulli

Quali sono le parti della catena a rulli

Quali sono le parti del Catena a rulli ? 1. Albero del perno: sottile elemento cilindrico utilizzato come asse di rotazione...

I produttori di catene di trasmissione introducono la relazione tra catena e pignone

I produttori di catene di trasmissione introducono la relazione tra catena e pignone

Catena di trasmissione I produttori hanno introdotto che il pignone è azionato da una catena e il modello dell'unità è generalment...

Il produttore di catene agricole presenta la preparazione della catena

Il produttore di catene agricole presenta la preparazione della catena

Filiera agricola il produttore introduce che la catena deve essere preparata per verificare se ci sono viti nella catena prima di inizi...

Il produttore di catene di trasmissione presenta come mantenere la catena

Il produttore di catene di trasmissione presenta come mantenere la catena

Quando la catena viene sottoposta a trattamento antiruggine per risolvere il processo operativo, è necessario prima pulire la pasta decapante su...

Perché la catena fogliare presenta problemi comuni di deviazione

Perché la catena fogliare presenta problemi comuni di deviazione

Con la continua tendenza allo sviluppo nel campo delle catene in acciaio inossidabile, anche i prodotti a catena in acciaio inossidabile sono st...

Dettagli di manutenzione quotidiana della catena industriale

Dettagli di manutenzione quotidiana della catena industriale

Catena industriale è vantaggi e dettagli della manutenzione giornaliera: 1. Se la catena di trasmissione è fuori...

I produttori di catene silenziose presentano come gestire correttamente l'errore del pignone in acciaio inossidabile

I produttori di catene silenziose presentano come gestire correttamente l'errore del pignone in acciaio inossidabile

Catena silenziosa I produttori spiegano come gestire correttamente l'errore del pignone in acciaio inossidabile? O...

I produttori di catene per motociclette introducono metodi comuni di risoluzione dei problemi del pignone

I produttori di catene per motociclette introducono metodi comuni di risoluzione dei problemi del pignone

Catena del motociclo I produttori introducono metodi comuni di risoluzione dei problemi del pignone: 1. Il motivo della...

I produttori di catene a rulli spiegano come gestire correttamente gli errori del pignone

I produttori di catene a rulli spiegano come gestire correttamente gli errori del pignone

Quando il pignone in acciaio inossidabile presenta un errore, non dovremmo affrettarci a risolverlo. Seguiamo il Catena a rulli I pro...

I produttori di catene di trasmissione presentano come rimuovere rapidamente i cuscinetti della ruota dentata danneggiati

I produttori di catene di trasmissione presentano come rimuovere rapidamente i cuscinetti della ruota dentata danneggiati

Catena di trasmissione I produttori hanno introdotto come rimuovere rapidamente i cuscinetti del pignone danneggiati: 1. Rim...