Casa / Novità

Novità

Il produttore di catene silenziose presenta come gestire l'usura della catena del trasportatore

Il produttore di catene silenziose presenta come gestire l'usura della catena del trasportatore

Le catene di trasporto sono state ampiamente utilizzate in tutti i ceti sociali, ma molte persone non ne sanno abbastanza, quindi non si preoccu...

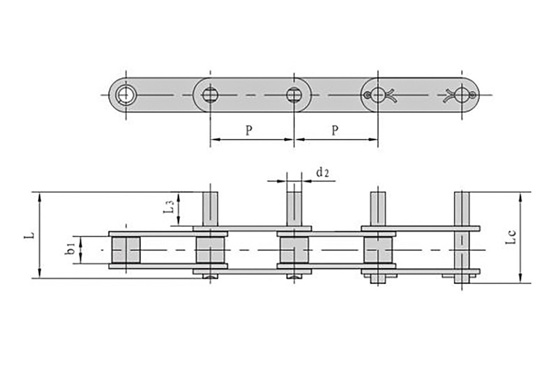
Il produttore di catene agricole presenta il flusso di lavoro della catena di trasporto

Il produttore di catene agricole presenta il flusso di lavoro della catena di trasporto

Il trasportatore a catena si trova sulla catena di carico e tra le maglie della catena viene aggiunto un attacco a rulli più alto per trasportar...

Cosa introduce la fabbrica di catene di trasporto sul livello di produzione del pignone

Cosa introduce la fabbrica di catene di trasporto sul livello di produzione del pignone

La catena in acciaio inossidabile è un dispositivo di guida comune. Il design della catena ad arco a doppia curvatura riduce l'attrito. Uti...

La fabbrica di pignoni industriali presenta come riparare la superficie liscia della catena

La fabbrica di pignoni industriali presenta come riparare la superficie liscia della catena

Per soddisfare i requisiti di installazione delle diverse specifiche dei macchinari, anche le specifiche di selezione della catena in acciaio in...

I produttori di catene a foglia introducono come utilizzare correttamente la catena

I produttori di catene a foglia introducono come utilizzare correttamente la catena

Catena di foglie I produttori introducono come utilizzare correttamente la catena: 1. Prima di installare la catena, è possib...

I produttori di catene industriali introducono la causa del rumore nella catena

I produttori di catene industriali introducono la causa del rumore nella catena

Dopo un'applicazione a lungo termine, molti macchinari e attrezzature per catene di trasporto causano un certo rumore. Quando la catena del...

I produttori di catene silenziose introducono il ruolo degli ingranaggi

I produttori di catene silenziose introducono il ruolo degli ingranaggi

Catena silenziosa I produttori introducono il ruolo degli ingranaggi: 1. Il ruolo dell'ingranaggio Shenyang è principalm...

I produttori di catene per motociclette introducono la tecnologia di lavorazione degli ingranaggi

I produttori di catene per motociclette introducono la tecnologia di lavorazione degli ingranaggi

Catena del motociclo I produttori introducono la tecnologia di lavorazione degli ingranaggi. 1. Billette da fusione: la for...

La fabbrica di catene a rulli presenta la gamma di adattabilità della catena

La fabbrica di catene a rulli presenta la gamma di adattabilità della catena

Le piastre in acciaio inossidabile sono da tempo ampiamente utilizzate nella nostra vita quotidiana, ma molti clienti si chiederanno in quale am...

La fabbrica di catene di trasmissione introduce il principio di controllo del rumore e della velocità della catena

La fabbrica di catene di trasmissione introduce il principio di controllo del rumore e della velocità della catena

Catena di trasmissione La fabbrica introduce il principio di controllo del rumore e della velocità della catena: 1. Mirando a...

I produttori di catene agricole presentano le precauzioni per l'utilizzo delle catene di trasporto

I produttori di catene agricole presentano le precauzioni per l'utilizzo delle catene di trasporto

Tra i vari tipi di catene di trasmissione nella produzione industriale, la catena di trasporto è una catena relativamente comune, soprattutto pe...

I produttori di catene di trasmissione presentano le precauzioni per la riparazione della superficie della catena

I produttori di catene di trasmissione presentano le precauzioni per la riparazione della superficie della catena

Per soddisfare i requisiti di installazione delle diverse specifiche dei macchinari, anche le specifiche di selezione della catena in acciaio in...